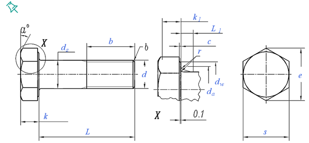
বাহ্যিক ষড়ভুজ স্ক্রু এবং বোল্টগুলি তাদের ছয়-পার্শ্বযুক্ত হেড ডিজাইনের জন্য স্বীকৃত ফাউন্ডেশনাল ফাস্টেনারগুলি, যা শিল্প অ্যাপ্লিকেশনগুলিতে উচ্চ টর্ক ট্রান্সমিশন এবং যান্ত্রিক স্থিতিশীলতা সরবরাহ করতে ইঞ্জিনিয়ারড। কার্বন ইস্পাত (গ্রেড 8.8, 10.9, বা 12.9) বা কাস্টম অ্যালো থেকে উত্পাদিত, এই ফাস্টেনারগুলি ক্ষুদ্রতর এম 1.6 থ্রেড থেকে শুরু করে ভারী শুল্ক এম 64 ব্যাসার থেকে শুরু করে, বিভিন্ন লোড বহনকারী প্রয়োজনীয়তার জন্য 12 মিমি থেকে 500 মিমি দৈর্ঘ্য সহ। বাহ্যিক হেক্স হেড রেঞ্চ বা সকেট বাগদানের অনুমতি দেয়, সীমাবদ্ধ স্থানগুলিতে সুরক্ষিত শক্ত করার বিষয়টি নিশ্চিত করে - যন্ত্রপাতি ফ্রেম, স্ট্রাকচারাল স্টিলের জয়েন্টগুলি বা স্বয়ংচালিত উপাদানগুলি যেখানে কম্পন প্রতিরোধের সর্বজনীন উপাদানগুলি একত্রিত করার জন্য সমালোচনামূলক।
বহিরঙ্গন পরিবেশে (যেমন, সেতু, সংক্রমণ টাওয়ার) হট-ডিআইপি গ্যালভানাইজিং যুদ্ধের মরিচাগুলির মতো পৃষ্ঠের চিকিত্সা, যখন কালো অক্সাইড আবরণগুলি নির্ভুলতা অপটিক্স বা সামরিক হার্ডওয়্যারে হালকা প্রতিচ্ছবি হ্রাস করে। পিটিএফই বা ইলেক্ট্রোফোরেটিক পেইন্টের মতো বিশেষত্ব সমাপ্তি রাসায়নিক প্রক্রিয়াকরণ উদ্ভিদ বা সামুদ্রিক সরঞ্জামগুলিতে ব্যবহারের জন্য রাসায়নিক প্রতিরোধের বাড়ায়। কাস্টম রঙ-কোডিং (নীল, লাল) ইনভেন্টরি ম্যানেজমেন্ট বা সুরক্ষা প্রোটোকলগুলিতে সহায়তা করে, সাইটে লোড রেটিং বা উপাদান গ্রেডকে আলাদা করে। স্ট্যান্ডার্ডাইজড থ্রেড সহনশীলতা এবং টেনসিল শক্তির সাথে, এই বোল্টগুলি আইএসও এবং এএসটিএম স্পেসিফিকেশনগুলি পূরণ করে, পুনর্নবীকরণযোগ্য শক্তি থেকে ভারী উত্পাদন পর্যন্ত শিল্পগুলির পারফরম্যান্সের সাথে ব্যয়-দক্ষতার ভারসাম্য বজায় রাখে। উপাদান, আবরণ এবং আকারে তাদের অভিযোজনযোগ্যতা তাদেরকে স্থায়িত্ব, ইনস্টলেশন সহজতা এবং কঠোর যান্ত্রিক মানগুলির সাথে সম্মতি দেওয়ার জন্য ইঞ্জিনিয়ারদের জন্য সর্বজনীন সমাধান করে তোলে


























